Tel:
01244 381777 Fax: 01244 381262
Scimitar
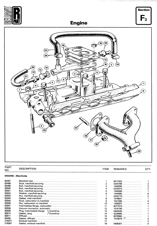
SE6B GTC Engine Parts
28
Bumpers Lane, Sealand Industrial Estate, nr. Chester Football Ground, Chester,
CHESHIRE, CH1 4LT
TEL: 01244 381777 FAX 01244 381 262
Welcome
to Graham Walker Ltd
Used
Vehicle Sales - New Vehicle Sales - Finance - Part Exchange - Warranty - Full
Workshop Facilites - Insurance Work -