Tel: 01244 381777 Fax: 01244 381262

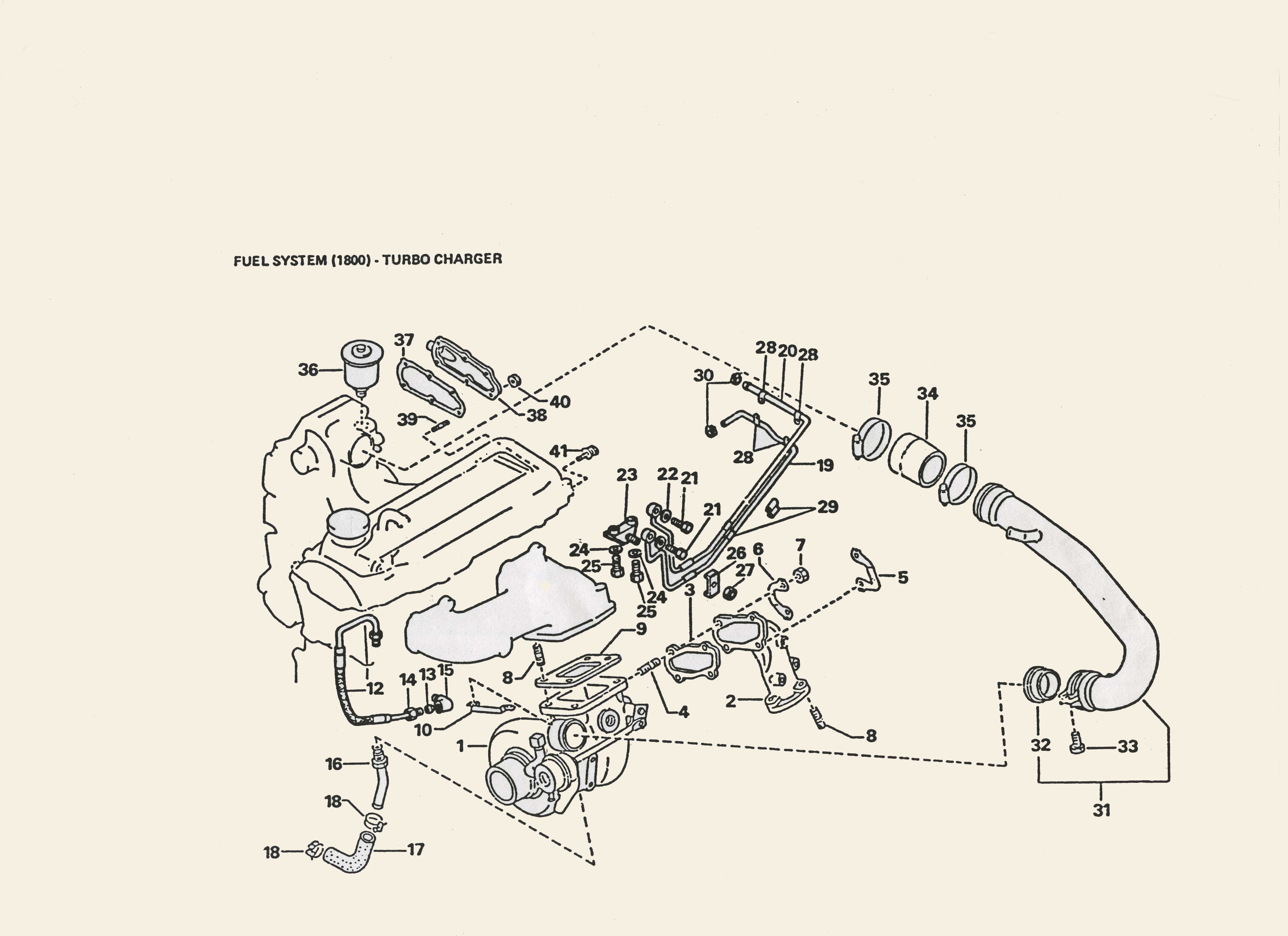
Scimitar SS1 Sabre Fuel Parts

28 Bumpers Lane, Sealand Industrial Estate, nr. Chester Football Ground, Chester, CHESHIRE, CH1 4LT, TEL: 01244 381777 FAX 01244 381 262
Welcome to Graham Walker Ltd
NAVIGATION
SERVICES
Used Vehicle Sales - New Vehicle Sales - Finance - Part Exchange - Warranty - Full Workshop Facilites - Insurance Work -
Homepage
Showroom
About Us
Servicing
Vehicle Sourcing
Finance
Location
Parts Enquiry: Dan.bellis@grahamwalker.co.uk
Car Sales: Matt.walker@grahamwalker.co.uk
Parts
Accounts: Tracey.jones@grahamwalker.co.uk